用户登录:用户名  密码  会员服务
  首页 | 最新采购 | 现货热卖 | IC库存 | 非IC库存 | 应用资料&程序库 | 交流区 | 供应商 | 生产商 | 技术资料
应用资料:  
您现在的位置:首页 >  技术资料   上载库存  

自制无线可视门铃

   现在很多家庭都有闲置的黑白电视机,笔者利用闲置的黑白电视机自制了一套无线可视门铃。经过一年半的使用,其性能稳定、工作可靠、图像清晰、干扰小。现特介绍给广大电子爱好者朋友们参考。
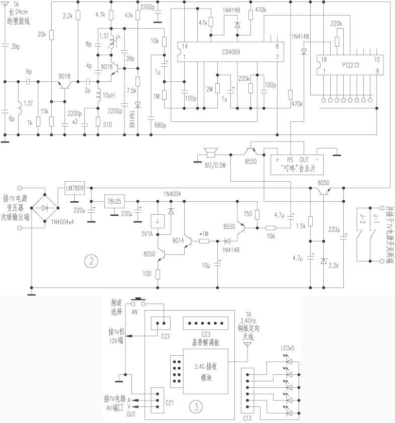
    图1是室外电路,AN1、AN2是门铃按钮,当有客来访时按动按钮开关,电源一路通过AN2给编码发射电路供电,发射出315MHz的编码信号,同时通过1N4148向10μF定时电容充电。电源另一路通过AN1向延时电路供电,继电器得电吸合,其触点J-1闭合自保。同时LM386组成语音检拾电路、摄像机以及2.4GHz发射模块均得电工作,发射模块发射出受AV信号调制的高频信号。松开按钮后,315MHz编码信号停止发射,但由于定时电容已充有电荷,故继电器仍可维持约60秒钟后才释放,J释放后,电路全部关断,恢复到初始状态。
    图2是315MHz编码信号接收解调及控制电路。315MHz编码信号经高放和超再生解调后送入CD4069放大整形,然后由PT2272解码输出一高电平去触发音乐IC,发出“叮咚,叮咚”的门铃声。同时,铃声信号将控制电路接通,继电器J动作,电视机总电源接通工作。本控制电路中也设有延时电路,约55秒钟后,继电器释放,电视机总电源切断,重新处于待机状态。注意解码块PT2272的地址码必须与编码块PT2262的地址码完全相同。
    图3是2.4GHz基带解调板,由板状定向天线接收到2.4GHz信号后送入2.4GHz接收模块中,分离出音视频信号,再分别由后续电路滤掉基带杂波信号,并放大成标准的AV信号输出,然后输入电视机。本系统中的2.4GHz收发模块、2.4GHz收发天线、2.4GHz基带解调板和黑白单板摄像机均可从深圳市友金电子有限公司购得,空心电感采用∮1.0mm漆包线在∮5mm圆棒上按图中所标匝数绕制即可。其余元件均无特殊要求,只要按图中所标数值选取并组装好电路,检查无误后即可通电试机。
    本机调试非常简单,2.4GHz基带解调板工厂已调试好,只需调试315MHz编解码信号通道,调试时最好有示波器,先将收发板相距10米左右,用锡搭通AN2两端,焊开音乐集成电路触发端二极管,用示波器测CD4069脚波形,用无感起子仔细调整接收板可调电感,使示波器波形幅度最大。再拉开50米左右,调发射板可调电感,使示波器波形最大,然后在距离150米左右处细调。若有频率计配合调整更好。若无示波器,也可在PT2272脚对地接一只发光二极管,但应断开该脚所接1N4148。按以上方法调试,使每次按AN发光二极管均点亮,然后恢复原电路即可。
    2.4GHz发射模块端口的1CH~4CH是频道选择端,分别对应中心频率为2.420GHz、2.440GHz、2.460GHz、2.480GHz。哪个端口接地,便处于哪个发射频道(切不可同时有两个端口接地)。同样,接收端的频道也需一一对应才能正常接收。接收端每次开机时均自动置1频道,若要改变接收频道,只需按动频道选择按钮,便会顺次处于1→2→3→4→扫描位置。五个发光二极管也会一一对应发光指示。当处于扫描位置时,若有四个发射部分(图1中只绘出一个发射部分),并分别置于1、2、3、4频道,则屏幕上便会依次显示四个不同地方的画面,喇叭中也可听到该处的声响,每个频道的停留时间为8秒左右。
    调试完毕,接收部分便可装入电视机内。有AV端子的电视机,只需将AV输出线直接接到电视机AV插座中心端,并把地线接通,其余按图中所标对应接入即可。若无AV端子的电视机,则需找到AV引入点,并用一拨动开关作AV、TV转换即可。需注意的是,新装入的电路板要尽量远离行输出,以防引入干扰。另外,接收部分的整流桥也不可省掉而直接采用电视机的12V电源,否则,门铃“叮咚”响时,屏幕上会出现严重的干扰网纹。若图像有扭曲或亮度较暗等现象,可稍微调一下基带板上的可调电阻(只有一个可调电阻),声音如不清晰或偏小,也只需调一下基带解调板上的中周即可。
    最后,将各电路板在电视机内紧固好,315MHz塑胶天线尽量靠近电视机顶部,并在电视机顶部钻一∮3mm的小孔,将2.4GHz高频馈线从小孔穿出,再焊好天线板,然后合上塑胶壳,并用螺丝紧固在电视机外壳上。
    本机最多可控4个门口,而且原电视机功能并未改变。如再稍作改动,本机还可增加双向对讲、无线开锁以及安防报警等多种功能。

                                                                    


 




关于我们 | 会员服务 | 广告服务 | 支付方式 | 联系我们 | 友情链接

会员服务热线:

深圳矽通科技版权所有 © Copyright 2005-2007, ic-cn.com.cn All Right Reserved.  粤ICP备07006430号
深  圳13410210660             QQ : 317143513   点击这里与电子元件采购网联系
客服联系: MSN:CaiZH01@hotmail.com       E-mail:info@ic-cn.com.cn